Мелкие вопросы по S/V40

Обсуждение автомобилей Volvo S40 и V40 (c 1996 по 2004 год выпуска)

Модераторы: TokRa, Yukon

Simak
Легендарный клубень
Сообщения: 11075
Зарегистрирован: 04.09.2009 10:35
Авто: -
GSM: -------
Имя: -

Сообщение Simak »

Rion писал(а):Monroe ML5184 Пружина газовая крышки багажника 6 дн. 229 500 р.
Meyle 540 910 0007 Пружина газовая крышки багажника 6 дн. 260 200 р.
Lesjofors 81 958 21 Пружина газовая крышки багажника 6 дн. 328 200 р.

Так вот вопрос стоит ли переплачивать и ждать, или заказать:
Stellox 11-40227-SX Пружина газовая крышки багажника 0 дн. 154 900 р. ?
Кто-нибудь ставил?

Или еще есть вариант:
Febi 17323 Амортизатор багажника, газовый 0 дн. 290 400 р.
Но тут на сколько мне известно в коробке может лежать какое-нибудь дерьмо...
вот тут может немного дешевле быть http://svt.by/Store/Price/List?search=ML5184&p=false
Аватара пользователя
XIoN6GTHP1
Сообщения: 268
Зарегистрирован: 20.06.2014 00:52
Авто: V40 D4192T3 2002 M56
GSM: 00000000
Имя: Nikolaj

Сообщение XIoN6GTHP1 »

Rion писал(а):На сколько мне известно, Febi это упаковщик. Известно что там лежало внутри?
Febi Bilstein там лежало, Made in Germany.
Изображение
Аватара пользователя
Rion
Сообщения: 260
Зарегистрирован: 04.09.2012 21:21
Авто: Volvo v40 2001, 1,9TD 115 коней
Имя: Дмитрий
Откуда: Минск

Сообщение Rion »

Simak писал(а): вот тут может немного дешевле быть http://svt.by/Store/Price/List?search=ML5184&p=false
Спасибо! Не знаешь, они по предоплате работают?
VIN: YV1VW70821F733395
Simak
Легендарный клубень
Сообщения: 11075
Зарегистрирован: 04.09.2009 10:35
Авто: -
GSM: -------
Имя: -

Сообщение Simak »

Rion писал(а):Спасибо! Не знаешь, они по предоплате работают?
нет, не знаю, набери их. Недавно плановое ТО делал, все фильтра (масленый, воздушный, топливный) и свечи купил у них оригинал, в коробках лежало маде ин Германия и Австрия. Вышло дешевле чем на экзисте и дешевле чем Хенгс и Кнехт, которые я ставил раньше. Наверное тащат из РФ и за счет курса дешевле получалось.
Аватара пользователя
Rion
Сообщения: 260
Зарегистрирован: 04.09.2012 21:21
Авто: Volvo v40 2001, 1,9TD 115 коней
Имя: Дмитрий
Откуда: Минск

Сообщение Rion »

Simak, благодарю! ;)

С их ценами и Lesjofors не грех поставить
VIN: YV1VW70821F733395
Аватара пользователя
Maks[kex]
Сообщения: 485
Зарегистрирован: 05.04.2012 18:33
Авто: V40 1.8 16V B4184S2 2000г
GSM: 80336679728
Имя: Перепелица
Откуда: Минск
Благодарил (а): 1 раз
Поблагодарили: 3 раза

Сообщение Maks[kex] »

Rion писал(а):
Maks[kex] писал(а):Ставил какие-то от трактора "БЕЛАРУС
Брутально :))) Боюсь представить какая у тебя резина стоит :)))

Мои-то тоже держат, но уж очень сопротивляются при открытии багажника. Хочу чтобы дверь сама взлетала )
))))) Я удачно угадал- плавненько поднимается при лёгком толчке.
Аватара пользователя
XIoN6GTHP1
Сообщения: 268
Зарегистрирован: 20.06.2014 00:52
Авто: V40 D4192T3 2002 M56
GSM: 00000000
Имя: Nikolaj

Сообщение XIoN6GTHP1 »

Народ, не получается снять подушку с руля, руль трехспицевый, вставлял как обычно штырь сзади через отверстие, давил по разному, нижняя сторона отходит, либо две какие-то, но три сразу никак.
Хотя раньше как-то удавалось снять.
Изображение
Аватара пользователя
Медведь Балу
Сообщения: 383
Зарегистрирован: 11.09.2009 22:53
Авто: Volvo S40, 1.8, 1997
GSM: 80296678396
Имя: Андрей
№ клубной карты: 194
Откуда: Минск, Беларусь

Сообщение Медведь Балу »

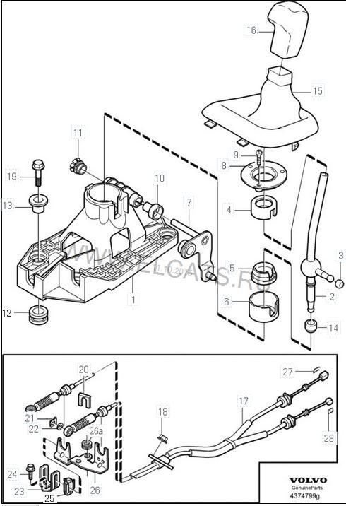
народ, покупал кто-нибудь ремкомплект: http://exist.by/price.aspx?sr=-4&pcode=30871722. А то первая и задняя плохо переключаются.
VolvoS40 1997 г., 1,8 - VolvoS?
Аватара пользователя
Бapkac
Сообщения: 1011
Зарегистрирован: 08.09.2010 18:33
Авто: бордо 96года S40 B4184S M3P
GSM: +375298591020
Имя: Йорик
Откуда: М И Н С К Запад
Поблагодарили: 1 раз

Сообщение Бapkac »

Я недавно брал сваг
еще такую докупи 30887706
Двухлитровым должен быть пакет молока. А трехлитровым бокал пива.
AUTOCOM CDP+ :declare:
Аватара пользователя
Медведь Балу
Сообщения: 383
Зарегистрирован: 11.09.2009 22:53
Авто: Volvo S40, 1.8, 1997
GSM: 80296678396
Имя: Андрей
№ клубной карты: 194
Откуда: Минск, Беларусь

Сообщение Медведь Балу »

А где она стоит? Я все время набирал комплект из оригинальных втулок и колец, такой не было.
VolvoS40 1997 г., 1,8 - VolvoS?
Аватара пользователя
XIoN6GTHP1
Сообщения: 268
Зарегистрирован: 20.06.2014 00:52
Авто: V40 D4192T3 2002 M56
GSM: 00000000
Имя: Nikolaj

Сообщение XIoN6GTHP1 »

Бapkac, это? http://www.skandix.de/en/spare-parts/dr ... m/1030545/
Просто есть еще такой набор, он отличается от swag/febi
http://www.parts4swedes.nl/nl/product/r ... e-s40-v40/
Изображение
Аватара пользователя
Бapkac
Сообщения: 1011
Зарегистрирован: 08.09.2010 18:33
Авто: бордо 96года S40 B4184S M3P
GSM: +375298591020
Имя: Йорик
Откуда: М И Н С К Запад
Поблагодарили: 1 раз

Сообщение Бapkac »

http://www.skandix.de/en/spare-parts/dr ... m/1030545/
угу она самая, держит небольшой шток
У вас нет необходимых прав для просмотра вложений в этом сообщении.
Двухлитровым должен быть пакет молока. А трехлитровым бокал пива.
AUTOCOM CDP+ :declare:
Аватара пользователя
XIoN6GTHP1
Сообщения: 268
Зарегистрирован: 20.06.2014 00:52
Авто: V40 D4192T3 2002 M56
GSM: 00000000
Имя: Nikolaj

Сообщение XIoN6GTHP1 »

Бapkac, У вас 96 года, подходит ли все это к 2002?
Изображение Изображение
Изображение
Аватара пользователя
Бapkac
Сообщения: 1011
Зарегистрирован: 08.09.2010 18:33
Авто: бордо 96года S40 B4184S M3P
GSM: +375298591020
Имя: Йорик
Откуда: М И Н С К Запад
Поблагодарили: 1 раз

Сообщение Бapkac »

не, это к коробке М3Р и М5Р, у вас М56
Двухлитровым должен быть пакет молока. А трехлитровым бокал пива.
AUTOCOM CDP+ :declare:
Аватара пользователя
Rion
Сообщения: 260
Зарегистрирован: 04.09.2012 21:21
Авто: Volvo v40 2001, 1,9TD 115 коней
Имя: Дмитрий
Откуда: Минск

Сообщение Rion »

XIoN6GTHP1 писал(а):Народ, не получается снять подушку с руля, руль трехспицевый, вставлял как обычно штырь сзади через отверстие, давил по разному, нижняя сторона отходит, либо две какие-то, но три сразу никак.
Хотя раньше как-то удавалось снять.
Так вроде крутить надо звездочки с тыльной стороны руля
VIN: YV1VW70821F733395
Terraho
Сообщения: 64
Зарегистрирован: 18.04.2014 10:27
Авто: volvo v40, 1.8i, 1997 г.в.
GSM: 8(029)6746738
Имя: Сергей
Откуда: г. Минск, Беларусь

Сообщение Terraho »

Terraho писал(а):
Малец писал(а):Terraho,по ходу это Абсорбер

Изображение
Воооот он, тот самый. Спасибо!

Добавлено спустя 3 минуты 19 секунд:
Бapkac писал(а):мелкие трубки с этой приблуды идут в район дросельной
А вообще, просветите меня, за что отвечает сия тварина? Как себя машина ведет без нее? Я два раза заводил двигатель (отковылял от перекрестка с ДТП и еще раз завел, чтобы посмотреть, что там рычит под капотом: увидел искры из-под муфты, перекрестился и заглушил). Есть ли нюансы по восстановлению этих патрубков? Хз, может, там какие-то жидкости были, или вакуум, или еще чего?
Камрады, продолжаю чесать репу над абсорбером. На картинке от фильтра отходят три патрубка. У меня их только два - один идет в область бензобака, второй к дросселю. А куда ведет третий, самый толстый? Имеется еще оторванный датчик (клапан?), который крепился на корпусе фильтра. У датчика еще два штуцера для патрубков. Что за патрубки? Как это собрать в единую систему - ума не приложу! Может, еще у прошлого хозяина был некомплект? Необходимо восстановить систему, ибо будут проблемы. Патрубок к дросселю болтается и круто сосет воздух, аж свистит. Нехорошо, пыль глотает.( Попробовал его зажать пальцем (типа заглушить) - обороты движка падают, начинает давиться, воздуха ему не хватает.

Клапан тоже нужно подключать: без него на приборке светится значок лямбды, субъективно увеличился расход топлива (на полтора литра). Фишка от датчика оторвана, провода болтаются, я не электрик...

Я это к чему: может быть, кто-то занимался таким рукоблудством, согласится проконсультировать на сходных условиях? Буду крайне благодарен.
yz-1
Сообщения: 529
Зарегистрирован: 04.08.2014 09:13
Авто: Volvo XC70, 2003 D5244T AW50/51 AWD
GSM: +375297493034
Имя: Юрий
Skype: yz-berezino
№ клубной карты: 120
Откуда: Березино
Благодарил (а): 2 раза
Поблагодарили: 4 раза

Сообщение yz-1 »

Terraho, http://www.elcats.ru/volvo/Parts.aspx?M ... t=A1105DD2
http://www.elcats.ru/volvo/Parts.aspx?M ... t=F030A56F
http://www.elcats.ru/volvo/Parts.aspx?M ... t=FD10AA20

Добавлено спустя 2 минуты 31 секунду:
Если ссылки не откроются тогда нужен тот у кого есть VIDA или VADIS, там на картинках видно что куда подключается. Если получится вечером сфоткаю свою систему.
Аватара пользователя
XIoN6GTHP1
Сообщения: 268
Зарегистрирован: 20.06.2014 00:52
Авто: V40 D4192T3 2002 M56
GSM: 00000000
Имя: Nikolaj

Сообщение XIoN6GTHP1 »

Rion писал(а):Так вроде крутить надо звездочки с тыльной стороны руля
Нет, это другой руль, я уже понял как снимать, просто делать по инструкции: вдавить подушку и torx вставить в отверстие :)
Изображение
Terraho
Сообщения: 64
Зарегистрирован: 18.04.2014 10:27
Авто: volvo v40, 1.8i, 1997 г.в.
GSM: 8(029)6746738
Имя: Сергей
Откуда: г. Минск, Беларусь

Сообщение Terraho »

yz-1 писал(а):Terraho, http://www.elcats.ru/volvo/Parts.aspx?M ... t=A1105DD2
http://www.elcats.ru/volvo/Parts.aspx?M ... t=F030A56F
http://www.elcats.ru/volvo/Parts.aspx?M ... t=FD10AA20

Добавлено спустя 2 минуты 31 секунду:
Если ссылки не откроются тогда нужен тот у кого есть VIDA или VADIS, там на картинках видно что куда подключается. Если получится вечером сфоткаю свою систему.
Не открывается((. Вот что нарыл я: патрубок №6 у меня вроде как идет к дросселю и сосет воздух. Он втыкается в верхний штуцер клапана. Патрубок №5 просто соединяет правый штуцер абсорбера и верхний штуцер клапана (после ДТП подобрал нечто похожее на дороге). Патрубок №2 идет из бензобака и втыкается в центральный штуцер абсорбера.

Патрубка №19 я у себя не нашел вообще. Куда он идет, за что отвечает и имеется ли вообще? Патрубок № 15 тоже загадка. Вроде как должен подключаться к клапану, но у меня на клапане там просто какая-то заглушка впрессованная.

И самое главное - можно ли добыть инфу, какими проводами подключать клапан? У меня болтаются обрывки проводов, которые тянутся к фильтру и вроде бы подходят к клапану. Но там два жгута, в каждом из которых по два провода. Посмотреть по цвету, какие шли к фишке клапана, не могу: из фишки повырывало их так, что даже хвостиков не осталось.((

Если получится сфотографировать систему, буду рад!

ЗЫ: на клапане у меня пообламывало оба штуцера под корень. Колхозить, или можно где-то найти деталь в нормальном состоянии? На авторазборах ее нет.
Все ли правильно?

Добавлено спустя 2 минуты 51 секунду:
yz-1 писал(а):Terraho, http://www.elcats.ru/volvo/Parts.aspx?M ... t=A1105DD2
http://www.elcats.ru/volvo/Parts.aspx?M ... t=F030A56F
http://www.elcats.ru/volvo/Parts.aspx?M ... t=FD10AA20

Добавлено спустя 2 минуты 31 секунду:
Если ссылки не откроются тогда нужен тот у кого есть VIDA или VADIS, там на картинках видно что куда подключается. Если получится вечером сфоткаю свою систему.
Не открывается((. Вот что нарыл я: патрубок №6 у меня вроде как идет к дросселю и сосет воздух. Он втыкается в верхний штуцер клапана. Патрубок №5 просто соединяет правый штуцер абсорбера и верхний штуцер клапана (после ДТП подобрал нечто похожее на дороге). Патрубок №2 идет из бензобака и втыкается в центральный штуцер абсорбера.

Патрубка №19 я у себя не нашел вообще. Куда он идет, за что отвечает и имеется ли вообще? Патрубок № 15 тоже загадка. Вроде как должен подключаться к клапану, но у меня на клапане там просто какая-то заглушка впрессованная.

И самое главное - можно ли добыть инфу, какими проводами подключать клапан? У меня болтаются обрывки проводов, которые тянутся к фильтру и вроде бы подходят к клапану. Но там два жгута, в каждом из которых по два провода. Посмотреть по цвету, какие шли к фишке клапана, не могу: из фишки повырывало их так, что даже хвостиков не осталось.((

Если получится сфотографировать систему, буду рад!

ЗЫ: на клапане у меня пообламывало оба штуцера под корень. Колхозить, или можно где-то найти деталь в нормальном состоянии? На авторазборах ее нет.
Все ли правильно?
У вас нет необходимых прав для просмотра вложений в этом сообщении.
Aspirin
Сообщения: 17
Зарегистрирован: 12.09.2015 19:31
Авто: Volvo S40 D4192T4 2002г.
GSM: +375447298564
Имя: Андрей
Благодарил (а): 1 раз

Сообщение Aspirin »

Подскажите кто расположение предохранителя подсветки номерного знака s40 рестайл.
Ответить

Вернуться в «S/V40 (96-04)»